021-6627-3227021-6627-1881
您的位置:首頁 > 産品中心 > HK蝸輪絲杆升降機 > HK蝸輪絲杆升降機
産品中心
産品視頻
産品詳情
性能參數
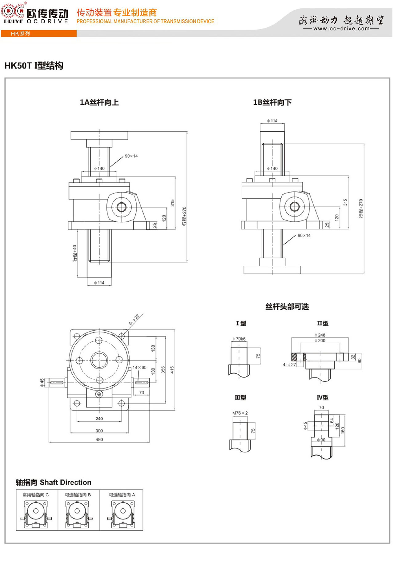
外形尺寸
上一個:SWL蝸輪絲杆升降機
下一個:JWM蝸輪絲杆升降機
網站首頁
關于我們
公司相冊
榮譽資質
合作夥伴
新聞資訊
常見問題
在線留言
聯系我們
網站地圖
國内銷售:021-66273227 / 66271881
國際銷售:021-66277609
手 機:18916880218(龐經理)
手 機:18930332544(李經理)
傳 真:021-56558186
郵 箱:shoccd@163.com
地 址:上海市寶山區呼蘭西路19号智力産業園3号樓
京ICP證000000号 版權所有 上海歐傳傳動機械有限公司
技術支持:杭州四喜
18916880218
18930332544
13585580998
首頁 産品中心 新聞資訊 聯系我們